新闻动态

  • COD分析仪使用说明

    COD分析仪使用说明

    2022-03-22 华亿体育在线注册,华亿体育(中国)

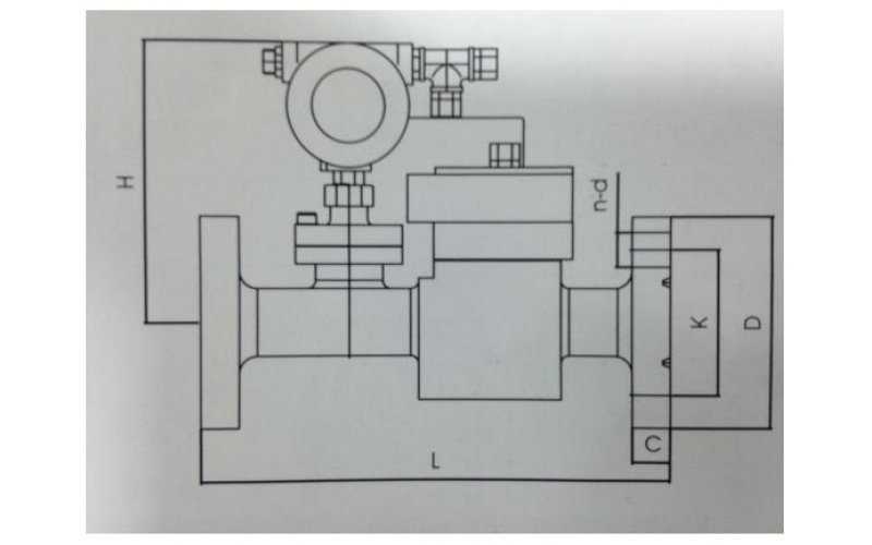
  • 高压流量自控仪

    高压流量自控仪

    2022-03-22 华亿体育在线注册,华亿体育(中国)

  • 烟气脱硫、催化、动力站CEMS系统使用说明

    烟气脱硫、催化、动力站CEMS系统使用说明

    2022-03-22 华亿体育在线注册,华亿体育(中国)

  • PID控制简述集合

    尽管不同类型的控制器,其结构、原理各不相同,但是基本控制规律只有三个:比例(P)控制、积分(I)控制和微分(D)控制。这几种控制规律可以单独使用,但更多场合是组合使用。如比例(P)控制、比例-积分(PI)控制、比例-积分-微分(PID)控制等。

    2022-03-22 华亿体育在线注册,华亿体育(中国)

  • 色谱分析仪使用说明

    色谱分析仪使用说明

    2022-03-22 华亿体育在线注册,华亿体育(中国)

  • 激光氧含量分析仪使用说明

    激光氧含量分析仪使用说明

    2022-03-22 华亿体育在线注册,华亿体育(中国)

  • 二氧化碳含量分析仪使用说明

    二氧化碳含量分析仪使用说明

    2022-03-22 华亿体育在线注册,华亿体育(中国)

  • 激光粉尘仪使用说明

    激光粉尘仪使用说明

    2022-03-22 华亿体育在线注册,华亿体育(中国)

首页
产品
新闻
联系