电力变压器 油与温度的故事
2022-08-24 华亿体育在线注册,华亿体育(中国)电气
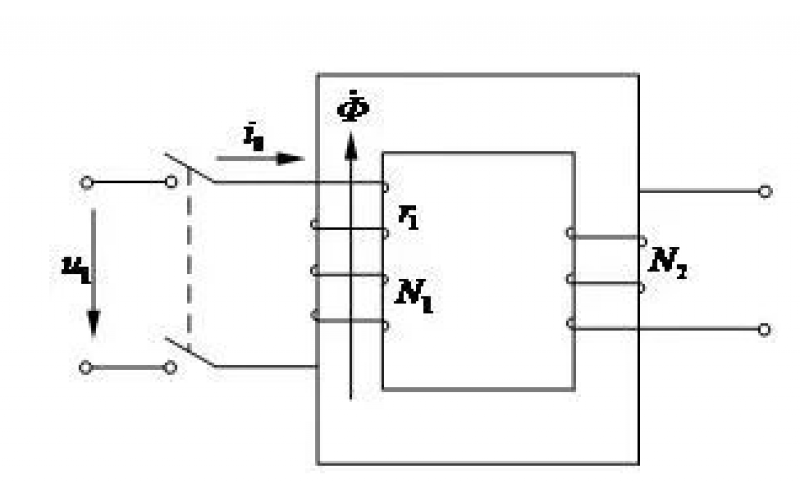
电压互感器与电流互感器的区别介绍
2022-08-22 华亿体育在线注册,华亿体育(中国)电气
无线测温系统在某项目的应用
2022-08-05 华亿体育在线注册,华亿体育(中国)
红外热成像仪铁路供电系统保障应用
2022-08-04 华亿体育在线注册,华亿体育(中国)
一台75kw的搅拌电机,用什么方式控制比较靠谱
2022-07-29 华亿体育在线注册,华亿体育(中国)电气
HCTM-5系列红外成像仪测温在电力变压器中的应用
2022-07-28 华亿体育在线注册,华亿体育(中国)电气
变压器绕组温度会低于油面温度吗?
2022-07-26 华亿体育在线注册,华亿体育(中国)电气
变压器励磁电流大小是否可以控制