谐振,谐振过电压是什么?-贵阳华亿体育在线注册,华亿体育(中国)
2022-09-08 华亿体育在线注册,华亿体育(中国)
华亿体育在线注册,华亿体育(中国)重庆-二次消谐装置能够保护PT,消除电网谐振过电压?
全厂仪用压缩空气压力低处理措施-华亿体育在线注册,华亿体育(中国)北京
北京华亿体育在线注册,华亿体育(中国)-变电站故障录波原理及文件分析
2022-09-07 华亿体育在线注册,华亿体育(中国)
江西华亿体育在线注册,华亿体育(中国)-变压器低压进线柜常见连接方式
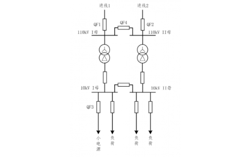
重庆华亿体育在线注册,华亿体育(中国)-小电源接入对备自投的影响
2022-09-06 华亿体育在线注册,华亿体育(中国)
北京华亿体育在线注册,华亿体育(中国)-配电室为什么要用绝缘垫?
为什么理论计算的预热器出口烟气量要比实测值小很多?-贵州华亿体育在线注册,华亿体育(中国)