绕线转子异步电动机转子串电阻启动电路解析
2022-11-17 10:19:48
华亿体育在线注册,华亿体育(中国)
绕线转子异步电动机转子串电阻启动电路解析

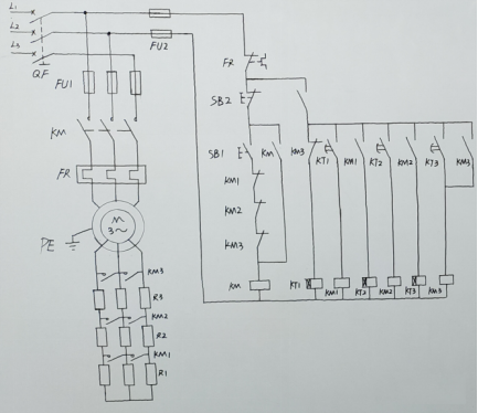
绕线式转子异步电动机转子串电阻启动是常用的绕线式转子异步电动机启动方式其成本低廉,性能好广泛应用于工矿领域需要带载启动的场合下面我们根据图示来说明一下其动作过程
首先合上电源开关QF
1.按下按钮SB1
2.KM线圈得电
2.1KM自锁触头闭合自锁
2.2KM主触头闭合---电动机M串接全部电阻启动
2.3KM常开触头闭合---KT1线圈得电---KT1设定时间到在KM常开触点闭合和KT1设定时间到达的情况下
3.KT1常开触头闭合
4.KM1线圈得电
4.1KM1主触头闭合---切除第一组电阻R1(此时电动机串接两组电阻继续启动)
4.2KM1常闭辅助出头分断
4.3KM1 常开辅助触头闭合---KT2线圈得电---KT2整定时间到
在KM1常开触点闭合和KT2设定时间到达的情况下
5.KT2常开触头闭合
6.KM2线圈得电
6.1KM2主触头闭合---切除第二组电阻R2(此时电动机串接一组电阻继续启动)
6.2KM2常开辅助触头闭合---KT3线圈得电---KT3整定时间到
6.3KM2常闭辅助触头分断在KM2常开触点闭合和KT3设定时间到达的情况下
7.KT3常开触头闭合
8.KM3线圈得电
8.1KM3自锁触头闭合自锁
8.2KM3主触头闭合---切除第三组电阻(此时电动机启动结束,正常运转)
8.3KM3常闭辅助触头分断---KT1、KT2、KT3依次断电释放触头归位停机按下按钮SB2即可使电路停止
TAG:
异步电动机转子